來源:本站???作者:001 ???發布時間: 2023-11-27 09:50???瀏覽: 2810
繼電器的接法及電路設計
繼電器在電路中起到重要的作用,通過線圈的通電來控制電路的通斷。但是繼電器的應用細節你是否了解呢?
今天繼電器資緣網就來探討一下繼電器的接法與電路設計。

繼電器的接法及電路設計
首先,我們來了解一下繼電器的接法。繼電器通常采用線圈加開關的方式進行接通和斷開電路。

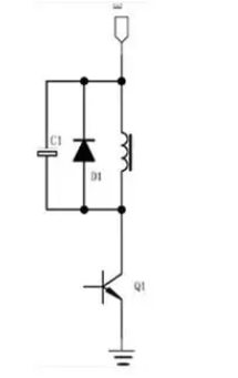
繼電器的接法及電路設計-2
在圖中,我們可以看到繼電器的線圈經過Q1作為開關,使其導通與斷開。而D1則作為續流二極管,可以消耗線圈中的能量。
接下來,我們來看看繼電器的特點。繼電器的吸合電流大于釋放電流,也就是說,當繼電器吸合時,需要的電流較大,而當繼電器釋放時,需要的電流較小。
同時,保持電流小于吸合電流,大于釋放電流。這些特點在進行電路設計時需要特別注意。
此外,我們來看看流行的電路設計優缺點。繼電器的線圈相當于電感,它的電流不能突變。
在釋放時,Q1截止瞬間,線圈將仍保持原來的電流大小。如果不接入D1這個二極管,產生的電壓理論上是無窮大的。
而接入D1后,給線圈中的能量提供了釋放的通道。但是,如果二極管是理想的,即它只單向導通而沒有任何功率消耗,那么在繼電器釋放時,線圈中的電流將一直保持吸合時的最大電流。
這種情況下,繼電器可能無法釋放。實際中,二極管及線圈都不是理想的,所以它們是可以釋放的。
除了上述的接法外,還有其他一些接法。比如在圖中所示的電路中加入了電阻R1來控制能量釋放速度。

繼電器的接法及電路設計-3
當線圈在Q1關斷時,能量主要消耗在R1上,使繼電器可以快速降到釋放電流值。
這種接法可以加快繼電器的釋放速度,但同時也增加了電路的復雜性。
綜上所述,我們在進行繼電器接法和電路設計時需要考慮吸合電流、釋放電流和保持電流的特點,以及線圈續流的二極管的作用和能量釋放的速度等因素。
根據實際應用需求來選擇合適的接法和電路設計可以更好地發揮繼電器在電路中的作用。
公司介紹:上海上繼科技有限公司是一家專業從事電力系統繼電保護及智能電網電力自動化產品的研發、設計、生產、銷售和服務為一體的高科技公司。擁有資深繼電保護專家團隊和國內領先的檢測儀器及校驗設備。同時還引用國內外先進技術,來進行技術創新。本公司的產品廣泛用于電力、工礦、鐵路、建筑等國家重大工程輸配變電系統上,產品遠銷東南亞及中東地區。產品通過國家繼電保護及自動化設備質量監督檢驗中心檢測,獲得ISO9001國際質量體系認證。“科技創新,誠信務實”是公司的經營理念,本公司以高超的技術支持和對用戶高度負責的售后服務贏得了輸配電成套企業的信賴,且樹立了良好的信譽。
公司主營:繼電器(時間繼電器,電壓繼電器,電流繼電器,中間繼電器,信號繼電器,閃光繼電器,沖擊繼電器,同步檢查繼電器,接地繼電器,差動繼電器,重合閘繼電器,絕緣監視繼電器,雙位置繼電器,模數化繼電器),微機保護裝置,電力儀表,智能操控裝置
上海上繼科技有限公司(專注電力保護繼電器生產廠家)銷售熱線:021-57233089 QQ:1932551438
{以上內容僅供參考,上海上繼科技有限公司有最終解釋權}
更多繼電器精彩文章——如何使用繼電器來控制接觸器呢?
上一篇:如何使用繼電器來控制接觸器呢?
下一篇:閃光繼電器與普通繼電器的區別

